- Технические характеристики и другая информация предоставляются для справки.
- Чертежи и изображения представлены для ознакомления
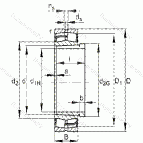
Подшипник роликовый самоустанавливающийся 23140-E 1-K + AH 3140
Подшипник роликовый самоустанавливающийся 23140-E1-K + AH3140 предназначен, главным образом, для эксплуатации в условиях аксиальных воздействий. Существуют варианты в однорядном и двухрядном исполнении. В первом случае неразъемная конструкция закрепляется при помощи втулок и включает бочкообразные роликоподшипники, сепаратор, толстостенную внешнюю обойму сферической формы и внутреннее широкое кольцо с бортиками, в котором иногда располагается посадочное гнездо под цилиндрическую или коническую посадочную основу. Второй тип имеет двухрядный набор тел качения и способен к восприятию как аксиальных, так и осевых нагрузок.
Каковы отличительные черты Подшипник роликовый самоустанавливающийся 23140-E1-K + AH3140?
-
Деталь является самоцентрирующейся, то есть позволяет выравнивать перекосы, возникающие в процессе ее установки, компенсирует прогиб валов, несоосность.
-
Применяется в барабанных лебедках, врубовых агрегатах, угольных комбайнах, мощных редукторах, шнеках, крановых скатах и так далее.
-
Обладает высокой грузоподъемностью и износостойкостью даже при ударных темпах работы.
В каталоге магазина для заказа онлайн доступен Подшипник роликовый самоустанавливающийся 23140-E1-K + AH3140 ГОСТ или его (аналоги ISO) и прочие высококачественные модели от компаний FAG, KOYO, NSK, SKF, SNR по доступной стоимости!
Технические характеристики
Обозначение : 23140-E1-K + AH3140
Размеры, мм : 190x340x112
Производитель : FAG
Диаметр внутренний, мм : 190
Диаметр наружный, мм : 340
Высота, мм : 112
Технические данные из каталога производителя :
d1H - 190 mm
D - 340 mm
B - 112 mm
a - 6 mm
b - 21 mm
D1 - 295,8 mm
Da max - 326 mm
d - 200 mm
d2 - 230,4 mm
d2G - Tr220X4
da min - 214 mm
ds - 9,5 mm
l - 134 mm
ns - 17,7 mm
ra max - 2,5 mm
rmin - 3 mm
- AH3140 / Условное обозначение, стяжная втулка
m - 41,5 kg / Вес
m1 - 5,6 kg / Вес, стяжная втулка
Cr - 1610000 N
e - 0,32
Y1 - 2,1
Y2 - 3,13
C0r - 2270000 N / статическая грузоподъемность, радиальная
Y0 - 2,06
nG - 2040 1/min / Предельная частота вращения
nB - 1250 1/min / Базовая тепловая частота вращения
Cur -
Основные размеры по DIN 635-2, с коническим отверстием и стяжной втулкой
|
Производитель
|
FAG |
|
Ширина B
|
112 |
|
Внешний диаметр D
|
340 |
|
Внутренний диаметр d
|
190 |
|
Размер
|
190x340x112 |
|
Вес, кг
|
41.5 |
|
Модель
|
23140-E1-K---AH3140-FAG |
|
SKU
|
23140-E1-K---AH3140-FAG |
Похожие по размеру
Оформить заказ на нашем сайте легко. Просто добавьте выбранные товары в корзину, а затем перейдите на страницу Корзина, проверьте правильность заказанных позиций и нажмите кнопку «Оформить заказ» или «Быстрый заказ».
Функция «Быстрый заказ» позволяет покупателю не проходить всю процедуру оформления заказа самостоятельно. Вы заполняете форму, и через короткое время вам перезвонит менеджер магазина. Он уточнит все условия заказа, ответит на вопросы, касающиеся качества товара, его особенностей. А также подскажет о вариантах оплаты и доставки.
По результатам звонка, пользователь либо, получив уточнения, самостоятельно оформляет заказ, укомплектовав его необходимыми позициями, либо соглашается на оформление в том виде, в котором есть сейчас. Получает подтверждение на почту или на мобильный телефон и ждёт доставки.
Если вы уверены в выборе, то можете самостоятельно оформить заказ, заполнив по этапам всю форму.
Выберите из списка название вашего региона и населённого пункта. Если вы не нашли свой населённый пункт в списке, выберите значение «Другое местоположение» и впишите название своего населённого пункта в графу «Город». Введите правильный индекс.
В зависимости от места жительства вам предложат варианты доставки. Выберите любой удобный способ.
Оплата
Выберите оптимальный способ оплаты.
Введите данные о себе: ФИО, адрес доставки, номер телефона. В поле «Комментарии к заказу» введите сведения, которые могут пригодиться курьеру, например: подъезды в доме считаются справа налево.
Проверьте правильность ввода информации: позиции заказа, выбор местоположения, данные о покупателе. Нажмите кнопку «Оформить заказ».
Наш сервис запоминает данные о пользователе, информацию о заказе и в следующий раз предложит вам повторить к вводу данные предыдущего заказа. Если условия вам не подходят, выбирайте другие варианты.

