- Технические характеристики и другая информация предоставляются для справки.
- Чертежи и изображения представлены для ознакомления
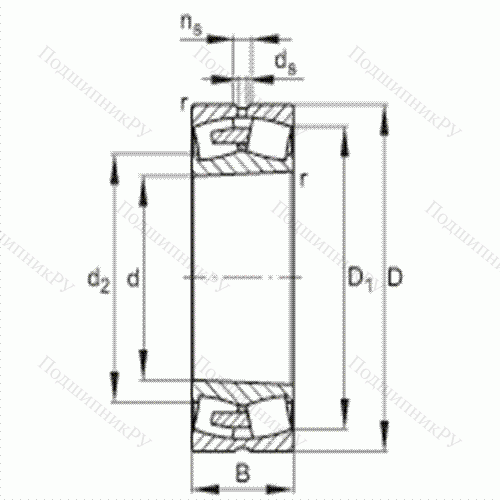
Подшипник роликовый самоустанавливающийся 24064-E 1A-K 30-MB 1
Подшипник роликовый самоустанавливающийся 24064-E1A-K30-MB1 предназначен, главным образом, для эксплуатации в условиях аксиальных воздействий. Существуют варианты в однорядном и двухрядном исполнении. В первом случае неразъемная конструкция закрепляется при помощи втулок и включает бочкообразные роликоподшипники, сепаратор, толстостенную внешнюю обойму сферической формы и внутреннее широкое кольцо с бортиками, в котором иногда располагается посадочное гнездо под цилиндрическую или коническую посадочную основу. Второй тип имеет двухрядный набор тел качения и способен к восприятию как аксиальных, так и осевых нагрузок.
Каковы отличительные черты Подшипник роликовый самоустанавливающийся 24064-E1A-K30-MB1?
-  Деталь является самоцентрирующейся, то есть позволяет выравнивать перекосы, возникающие в процессе ее установки, компенсирует прогиб валов, несоосность. 
-  Применяется в барабанных лебедках, врубовых агрегатах, угольных комбайнах, мощных редукторах, шнеках, крановых скатах и так далее. 
-  Обладает высокой грузоподъемностью и износостойкостью даже при ударных темпах работы. 
В каталоге магазина для заказа онлайн доступен Подшипник роликовый самоустанавливающийся 24064-E1A-K30-MB1 ГОСТ или его (аналоги ISO) и прочие высококачественные модели от компаний FAG, KOYO, NSK, SKF, SNR по доступной стоимости!
Технические характеристики
Обозначение : 24064-E1A-K30-MB1
Размеры, мм : 320x480x160
Производитель : FAG
Диаметр внутренний, мм : 320
Диаметр наружный, мм : 480
Высота, мм : 160
Технические данные из каталога производителя :
d - 320 mm
D - 480 mm
B - 160 mm
D1 - 422,3 mm
Da max - 465,4 mm
da min - 334,6 mm
ds - 8 mm
ns - 15 mm
ra max - 3 mm
rmin - 4 mm
m - 99 kg / Вес
Cr - 2950000 N / динамическая грузоподъемность, радиальная
e - 0,3
Y1 - 2,23
Y2 - 3,32
C0r - 5200000 N / статическая грузоподъемность, радиальная
Y0 - 2,18
nG - 1200 1/min / Предельная частота вращения
nB - 680 1/min / Базовая тепловая частота вращения
Cur - 455000 N
Основные размеры по DIN 635-2, с коническим отверстием, конусность 1:30
| 
																Производитель
															 | FAG | 
| 
																Ширина B
															 | 160 | 
| 
																Внешний диаметр D
															 | 480 | 
| 
																Внутренний диаметр d
															 | 320 | 
| 
																Размер
															 | 320x480x160 | 
| 
																Вес, кг
															 | 99 | 
| 
																Модель
															 | 24064-E1A-K30-MB1-FAG | 
| 
																SKU
															 | 24064-E1A-K30-MB1-FAG | 
Похожие по размеру
Оформить заказ на нашем сайте легко. Просто добавьте выбранные товары в корзину, а затем перейдите на страницу Корзина, проверьте правильность заказанных позиций и нажмите кнопку «Оформить заказ» или «Быстрый заказ».
Функция «Быстрый заказ» позволяет покупателю не проходить всю процедуру оформления заказа самостоятельно. Вы заполняете форму, и через короткое время вам перезвонит менеджер магазина. Он уточнит все условия заказа, ответит на вопросы, касающиеся качества товара, его особенностей. А также подскажет о вариантах оплаты и доставки.
По результатам звонка, пользователь либо, получив уточнения, самостоятельно оформляет заказ, укомплектовав его необходимыми позициями, либо соглашается на оформление в том виде, в котором есть сейчас. Получает подтверждение на почту или на мобильный телефон и ждёт доставки.
Если вы уверены в выборе, то можете самостоятельно оформить заказ, заполнив по этапам всю форму.
Выберите из списка название вашего региона и населённого пункта. Если вы не нашли свой населённый пункт в списке, выберите значение «Другое местоположение» и впишите название своего населённого пункта в графу «Город». Введите правильный индекс.
	 В зависимости от места жительства вам предложат варианты доставки. Выберите любой удобный способ. 
	
	Оплата
Выберите оптимальный способ оплаты.
Введите данные о себе: ФИО, адрес доставки, номер телефона. В поле «Комментарии к заказу» введите сведения, которые могут пригодиться курьеру, например: подъезды в доме считаются справа налево.
Проверьте правильность ввода информации: позиции заказа, выбор местоположения, данные о покупателе. Нажмите кнопку «Оформить заказ».
Наш сервис запоминает данные о пользователе, информацию о заказе и в следующий раз предложит вам повторить к вводу данные предыдущего заказа. Если условия вам не подходят, выбирайте другие варианты.

 
                                            
                                        
